|
Sichere Elektrische Bordversorgung
Der Vorbesitzer unserer TRUE LOVE hatte bereits eine zweite Batterie
mit Batteriekästen sowie einem Batteriewahlschalter
einrüsten lassen.
Das Grundgedanke beim Einsatz von zwei Batterien ist, dass die
Starter-Batterie gegen unnötige Entladung durch
Bordverbraucher geschützt wird, damit diese immer
genügend Leistung für den Start des Motors
(insbesondere des Anlassers) bereithält.
Mit einem Batteriewahlschalter kann jedoch nur ausgewählt
werden, welche Batterie den Strom für alle Verbraucher liefern
soll (1, 2 oder beide). Auch erfordert der Einsatz eines
Batteriewahlschalters das regelmäßige Eingreifen
(Schalten) durch den Skipper.
Konsequenter Weise ist der Einsatz einer permanenten und automatischen,
technischen Lösung der sicherere Weg. Diese habe ich
für die TRUE LOVE nun wie folgt umgesetzt:

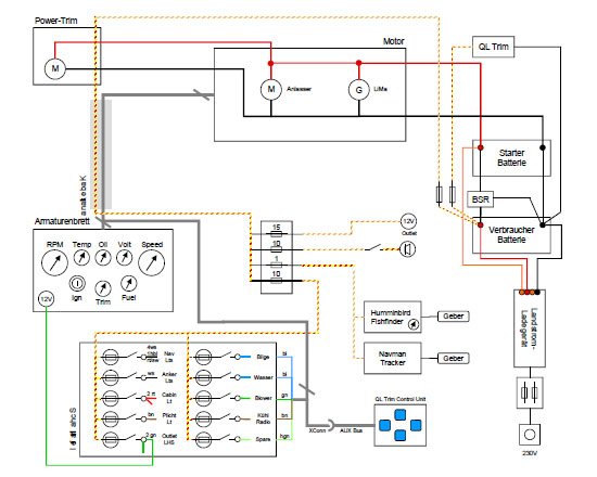
vereinfachter Stromlaufplan der elektrischen Installation
(in gelb-rot der Verbraucherstromkreis)
Der Motor mit Anlasser, Trimm-Hydraulik (Power Trim) und Servolenkung
erhält als Spannungsspeicher exklusiv eine separate Batterie
zugeordnet, die „Starterbatterie“.
Die Bordverbraucher (Licht, Beleuchtung, Kühlschrank, Radio,
Druckwasserpumpe, 12V-Steckdosen etc.) werden permanent der zweiten
Batterie zugeordnet und an diese angeschlossen. Damit existierten dann
an Bord zwei getrennte Stromkreise.

24.04.2010: Zwei neue Batterien mit 95Ah Kapazität
Beide Batterien sollen jedoch über den bordeigenen Generator,
die Lichtmaschine, während der Fahrt geladen werden.
Würde man beide Batterien jedoch direkt an die Lichtmaschine
anschließen, so wären beide Batterien parallel
geschaltet und würden sich gegenseitig laden bzw. entladen.
Daher kommt ein Gerät zum Einsatz, das nur für die
Dauer des Ladevorgangs die Verbraucherbatterie an die Lichtmaschine
anschließt: ein spannungsgesteuertes Relais (VSR: Voltage
Sensitive Relay). Dies stellt anhand der Spannungshöhe fest,
ob die Lichtmaschine lädt, und schließt den
Stromkreis zur Verbraucherbatterie.
Das eingebaute Landstromladegerät verfügt von Haus
aus über separate Zuleitungen für das Laden der
einzelnen Batterien, sodass eine gegenseitige Entladung verhindert wird.

oben rechts: das Landstromladegerät
darunter rechts: das spannungsgesteuerte Trennrelais (VSR)
Am Minuspol der hier im Bild sichtbaren Verbraucherbatterie herrscht
Gedränge: Die dicke Zuleitung verbindet die beiden
Batterie-Minuspole. Dann sind noch das Landstromladegerät, das
VSR und das QL Trimsystem hier angeschlossen.

Etwas aufgeräumter der Blick durch die Backbord-Luke:
Die Batterien gut vertäut, dahinter gestaut das
Landanschlusskabel mit CEE-Stecker.
Anbei
noch der Standard-Stromlaufplan für die Mercruiser
Cockpit-Instrumentierung.

Anklicken
für ein vergrößerte Darstellung
(PDF).
ZURÜCK
|